Analog balancer for lithium batteries (Li-Po, Li-ion, Li-Fe)
It is inexpensive and precise device for equalizing the voltage between sections of a lithium battery. Versions for balancing two-section and three-section batteries are available. The balancer can be connected to the accumulator at any moment; however, its connection would be most reasonable during charging the accumulator. The battery cells with a higher voltage will be discharged in an automatic way until equalization of the voltage is achieved.
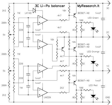
Schematic + PCB:




Technical data
Possible types of the batteries - various types of the lithium batteries.
Number of the battery sections - two or three (fixed).
El. current for balancing - 100 mA.
Consumed el. current - less than 1 mA.
Precision of the adjustment - 1 mV.
Deviation, which causes activation - 1 mV.
Worsening of precision in case of alterations of the temperature - 0,1 mV/1degreeC.

Application of the balancer
While charging the lithium battery, connect the balancer to the terminals for balancing. The balancer, meant for three sections of the battery, should not be used for balancing of the double-sections battery. Observe the polarity; the red color of the wires corresponds to PLUS, whereas the black one - to MINUS. The shining light-diodes mean that balancing is going on at the moment. If the light-diodes continue to shine after having charged the battery, then it's advisable not to disconnect the balancer from the battery. The charging device may be disconnected from the battery independently from the balancer. The balancer can be disconnected after dieing of the light-diodes out. Balancing of the batteries with the smaller capacity takes a shorter period of time. If the totally charged battery needs to be additionally balanced longer than one hour, it means that one of its sections has serious deviations. Balancing may take more time, if it is done irregularly. After having finalized balancing, the device consumes very little el. current and will not discharge the battery completely, even if you disconnect it after a month. The device secures a very high precision of balancing in the conditions of the room temperature - up to 0,05%. Precision of balancing may drop down to 0,1%, if the temperature is negative. However, this index also secures more a precise balancing in comparison with the majority of digital balancers of various types.
General information on balancers.
While charging, lithium accumulators practically do not heat. Because an excess of the voltage supplied does not turn into thermal energy, the recharged cell can be damage and cases of self-ignition sometimes take place. The balancer equalizes voltage of the cells connected in series. Simplest balancers switch on the load when the cell achieves the maximum voltage of 4.25 V. This measure can save the battery, if the value of the charging current is lower than the current consumed by the balancer; however, usually this condition does not take place. A majority of balancers are microprocessor-based devices, so their price is high. In addition, while charging a battery of non-large capacity, its real charge will be lower than the value showed on the display of the charging device, because the microprocessor-based device consumes considerable current. In spite of a high price of a microprocessor-based balancer, its accuracy is not sufficient. You can make certain of this statement by using several inexpensive digital voltage meters. Measure the voltage of individual sections of the battery and the voltage of the whole battery. In many cases, the sum of voltages of the battery sections and the actual voltage of the whole battery differ. The difference can exceed the step of the measuring scale several times. This phenomenon can be explained by the admissible deflections from a linear scale in the analog-to-digital converter of the device. This means that the specified step of the measuring scale does not conform to the real accuracy of the device. Using such an imprecise balancer will cause different voltages of cells in the battery. If parameters of cells in your battery differ, using of such balancer will ensure the voltage difference not exceeding the inherent error of the balancer. However, in case of a new and high-quality battery, it is possible to avoid using a balancer. By the way, voltage equalizing does not require any calculations by a microprocessor. It is sufficient to divide the total voltage to equal parts and to compare the result with the voltages between sections of the battery.